Loading
お問い合わせ
トップページ
>
ニーズ別ソリューション:省エネで維持費削減
>
省エネ化の改善策
まずは運用改善から
省エネ活動の短期的および中長期的な計画の立案、改善策の実施を支援いたします。
省エネ活動は、これから毎年取り組みの強化が求められます。
まずはできるだけ費用をかけないで実施できる
運用改善
を、次にエネルギー消費に大きな影響を与える
エネルギー負荷の低減
と
設備システム効率の向上
を実現する省エネ化の改善策をご提案します。
▲このページTOPへ
省エネ改善策の具体例
パッシブリズミング空調
パッシブリズミング空調は、室温と炭酸ガス濃度を監視しながら一定のパターンで空調の運転と停止を繰り返す省エネルギー空調システムです。
① 空調を断続的に停止することにより、約15~30%の省エネとなります。
② 空調の断続運転により室温に少し変化を与えることで、快適性を高めます。
③ 一般の空調システムにタッチパネル式のコントローラーとセンサーを取り付けることで、容易に実施できます。
暖房時の温度変化
適用した休憩室
屋上緑化
近年、都市部のヒートアイランド現象等の環境問題を緩和し、建物の省エネやアメニティーの向上に有効な屋上緑化が注目されています。当社は、移設可能な屋上緑化システム「ミドリンラップ」を開発しています。
①(ミドリンラップR)パレットでユニット化した緑化プランター同士を連結することで計画に合わせて緑地を作ることができるシステム。移設が可能。高さ1m程度までの低木が対象。
②(ミドリンラップR-low)押さえコンクリートやシート防水上を見切り材で区画し、耐根シート、ポリスチレンの敷設で雨水や灌水した水を貯留できる、ミドリンラップRより安価な工法。高さ2m程度までの低木が対象。
緑化プランターの敷設状況
■適用事例
研究所(つくば市)(ミドリンラップR)
屋上表面温度の比較(つくば市:9月末)
マンション(大阪市)※ (ミドリンラップRおよびR-low)
病院(和泉市)※ (ミドリンラップRおよびR-low)
※大阪府の緑化助成金制度を利用
中小規模建物向けのビル・エネルギーマネジメントシステム(BEMS)
建物内各種設備の総合的な制御と消費エネルギーの監視を行うエネルギー管理システムとして、BEMS(Building and Energy Management System)が注目されています。
奥村組は、中小規模建物に適した高い操作性と低コストを実現した「エネスケール」をご提案します。
①タッチパネル式コントローラーで容易に操作できます
②お客様のご要望に応じて操作画面を作成します
③必要な機能を絞り込み、低コスト化を実現しました
■システム構成
エネスケールは、操作用のタッチパネルコントローラー、通信PC、各計測器で構成されています。
計測データは、コントローラーに表示されるほか、通信用パソコンにも送信され、パソコンでのデータの整理・分析が可能です。照明・空調の発停制御やスケジュール運転は、タッチパネルコントローラーで操作します。
■既存建物への適用事例
中央監視制御システムが既に使用されていましたが、日常的に操作する空調・照明の制御作業をもっと容易に行いたいとのご要望があり、「エネスケール」を導入しました。
中央監視制御システムを残し、エネスケールと相互通信を行うシステムとしました。エネスケールの導入により、空調や照明などの電力量および総電力量をリアルタイムで表示すると共に、フロアー案内図の画面で設備運転状況の表示やON-OFF制御など運転設定が容易に行えるようになったため、使用エネルギーの低減が進みました。
▲このページTOPへ
省エネ改修実施例
Nearly ZEBを実現
建物の性能向上、各種省エネルギー技術の導入、太陽光発電による創エネルギーの導入によりNearly ZEBを実現しました。導入した主な技術を以下に示します。
①太陽光パネル
屋上に太陽光パネルを設置し、創エネを行うことで建物の
消費エネルギーの1/4~1/3を補うことが可能。
②自動制御自然換気窓
室内と屋外の温度差をBEMSシステムで計測し、省エネが期待できるタイミングで自動開放する自然換気窓を導入し、
自然エネルギー利用による熱負荷の低減
を図ります。
▲シミュレーション
③高効率空調
小さなエネルギーで大きな冷暖房能力を引き出すことができる空調設備を採用し、
省エネルギー化を行います。
従来機種と高効率機種のAPF(※)比較
(※)APF:通年エネルギー消費効率
④昼光センサー+LED調光照明(高効率照明)
照明機器はLEDを採用し、
省エネ対策
をすると共に昼光センサーを設けることで、昼光を有効活用し、
照明エネルギーの削減
を行います。
▲照明イメージ
⑤タスク&アンビエント照明
天井照明は室全体の明るさ感を保つアンビエント照明として機能させ、机上の明るさは手元の作業用タスク照明によって十分に確保します。上記により、
照明エネルギーの削減に努めます。
⑥外皮の高断熱化
外壁へ断熱材の施工、またガラスの高断熱化を行うことで
夏期及び冬期の熱負荷を軽減します。
▲外壁の高断熱化
▲開口部の高断熱化
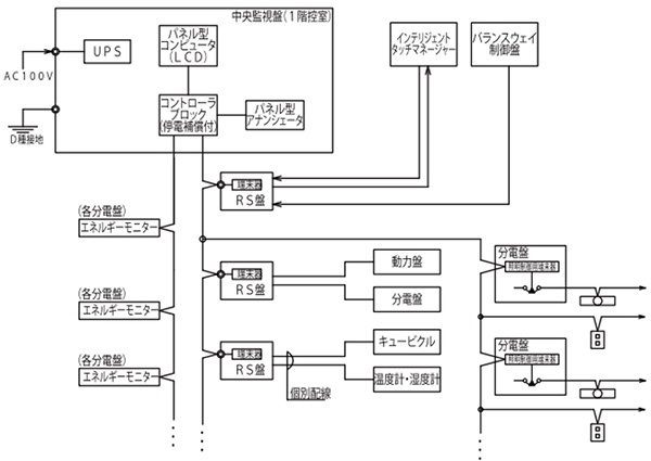
■BEMSシステム系統図
・
警報監視x、機器操作、照明・空調の省エネ制御からエネルギー使用量の検針データ、スケジュール制御まで、各設備の運用を一元管理するシステムです。
・
中央監視盤にて操作、デマンド対象機器のグルーピング、照度・温度の一括設定等、各種の機能設定が可能です。
・
収集させる検針データを用いて、各設備の省エネ効果の検証を行い、
効果的な省エネを図ります。
▲このページTOPへ
ZEB(ネットゼロエネルギービル)
ZEB(Net Zero Energy Building)についての詳しい説明は建物環境技術のページをご覧ください。
▲このページTOPへ
< 前のページ
1
2
建物の耐震性に心配は
ありませんか?
免震レトロフィット
接着式耐震補強工法
省エネ提案
省アンカーアウトフレーム耐震補強工法
大地震に備える
省エネで維持費削減
環境にやさしい建物に
建物の魅力と価値の向上
診断・評価システム
耐震改修
省エネ改修